Здравствуйте!
Необходима Ваша подробная(насколько возможно) консультация по звукоизоляции/поглощению (проблемы помещения, акустические материалы, их размещение).
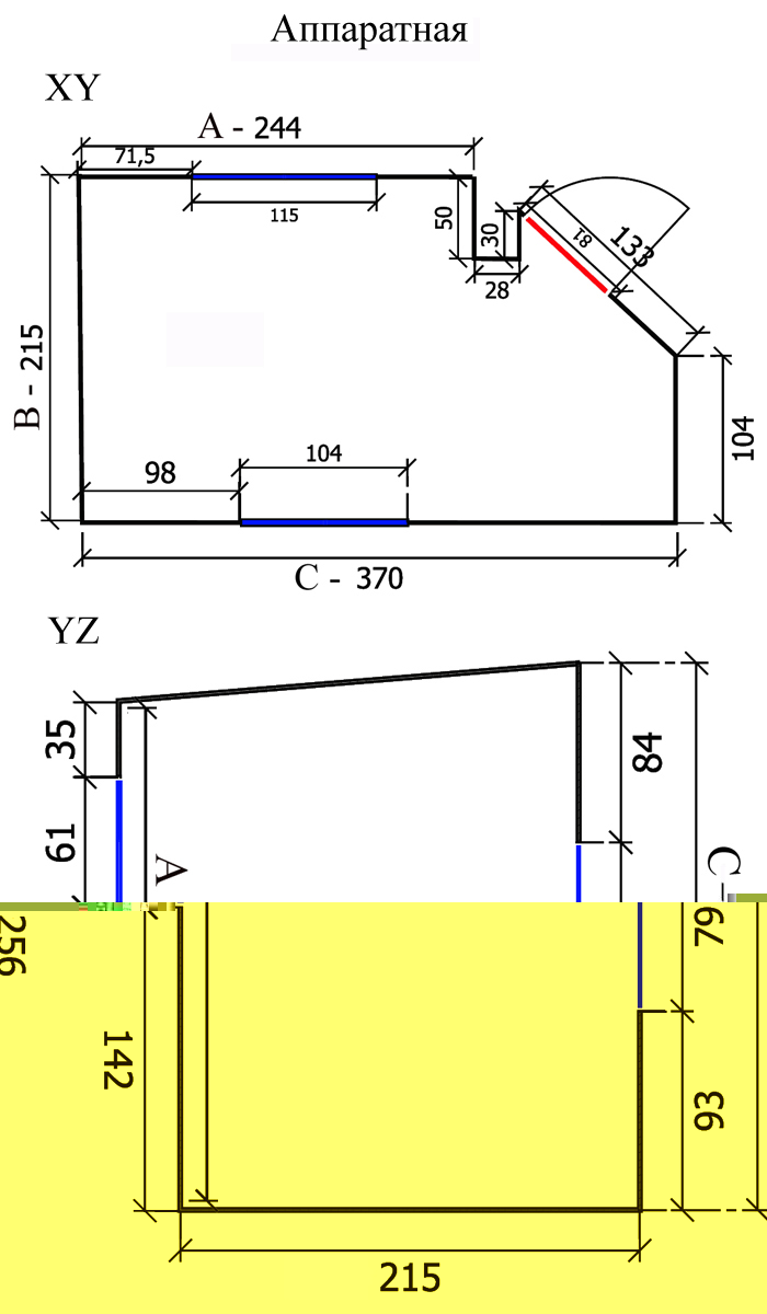
Имеется помещение, предполагаемое под звукозапись (две комнаты, позиционируемые в качестве Аппаратной и Акустической).
Здание старое, все стены несущие, из камня, толщиной 30-40см.
В Акустической пол ДСП на досках, доски на лагах; на стенах пенопластовые блоки, сверху драп.
Аппаратная комната нуждается в звукоизоляции и звукопоглощении - стена "А" выходит на улицу, в 20 метрах дорога, которую хорошо слышно.
В Акустической требуется только звукопоглощение.
Стена "С" ("С1") общая для аппаратной и акустической, окно тройное (с тремя рамами).
Принимая во внимание небольшой размер и нетривиальную форму аппаратной, стоит вопрос о возможности использования комнаты в данном качестве вообще, - прежде всего необходимо пространство адекватного ближнего мониторинга.
Если организация такого пространства в комнате неосуществима, предполагается совершить "рокировку", т.е. Аппаратную использовать как Акустическую и наоборот, сокращая тем самым возможности Акустической (ныне Аппаратной) до дикторской/вокальной кабинки.
Бюджет умеренно ограниченный, т.е., необходимый минимум.
Живем в Иркутске.
Заранее огромное Вам Спасибо!
p.s. на рисунках синим - окна, красным - двери.)
