Доброе время суток!!!
Прошу помощи опытных специалистов. Необходимо запроектировать грамотно звуко- тепло- пароизоляцию в деревянном перекрытии по металлическим прямоугольным трубам.
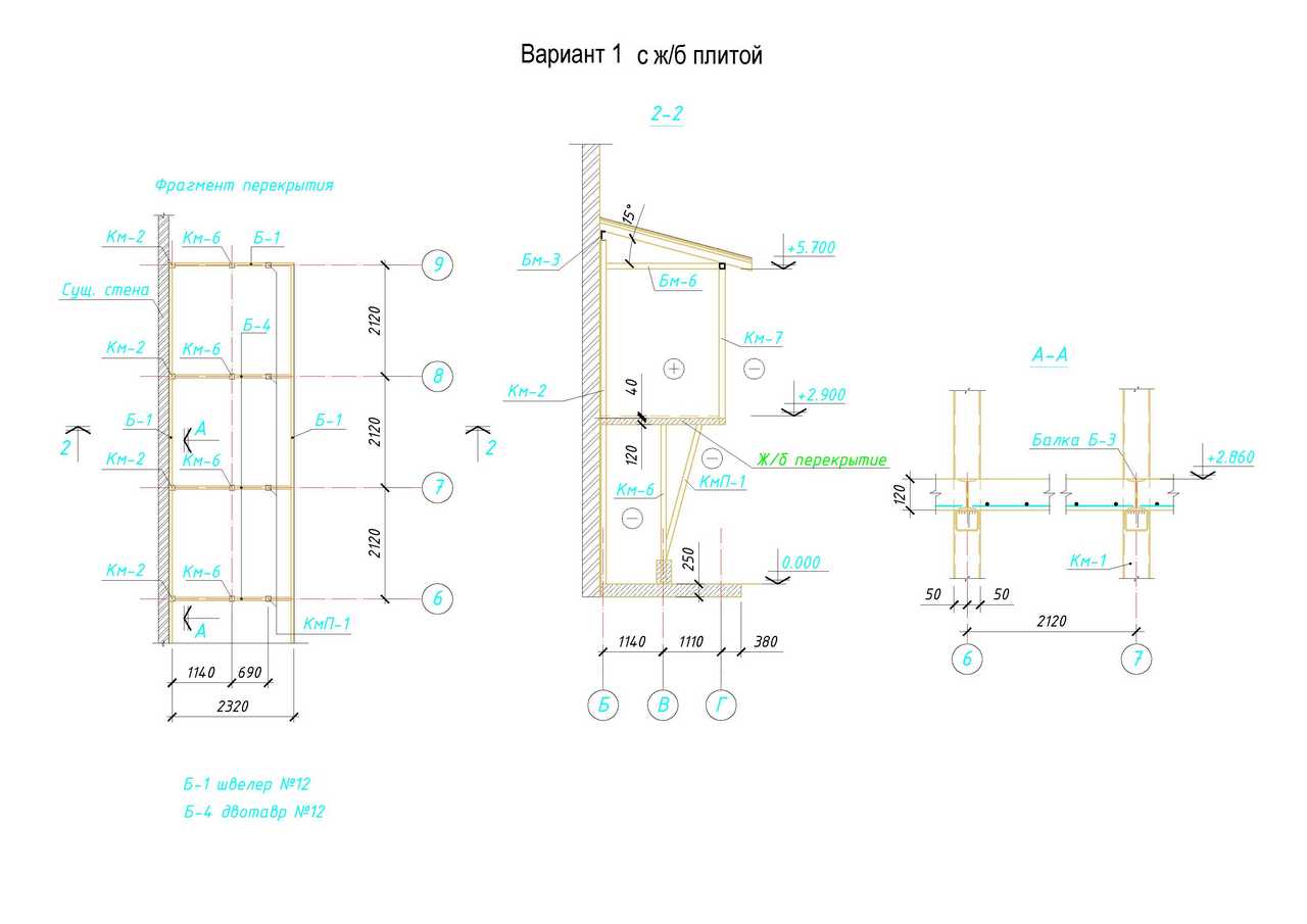
Первый вариант перекрытия был запроектирован из жб плиты толщиной 120мм в теле мет балок (швеллер №12 и двутавр №12). Но, спустя некоторое время Заказчик решил рассмотреть вариант более дешевого перекрытия.
Был предложен вариант 2 (см. вложени). По раскрою стандартной ОСБ плиты был подобран шаг пр.труб и на определенную нагрузку - сечение. Особенностью этого перекрытия является то, что под ним нет сущ. помещения, а есть улица (по аналогии с балконом). Перекрытие планируется использовать как кафе. Во вложении представлен фрагмент перекрытия.
Заранее спасибо за внимание.
